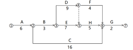
案例7【背景资料】:某市新建建筑,框架结构,地下一层,地上六层,基坑开挖深度为5m。施工单位编制了施工进度计划,其中主体结构工序安排如下:【问题】1.根据主体结构工序安排表绘制出双代号网络图。
发布时间:2025年11月12日 16:31 中迅网校 阅读量:927

案例7【背景资料】:
某市新建建筑,框架结构,地下一层,地上六层,基坑开挖深度为5m。施工单位编制了施工进度计划,其中主体结构工序安排如下:

【问题】
1.根据主体结构工序安排表绘制出双代号网络图。

查看答案

分享到:

相关试题
重要提醒
检测到您的账号已在其他设备登录,
请重新登录
退出登录重新登录